Bra jobbat grabbar, blir riktigt bra den där ! 
GW.P
Du är inte inloggad. Logga in eller registrera dig.
Boxerville » Projekt » Renovering av Buggy -66
Sidor Föregående 1 2 3 4 5 6 Nästa
Du måste logga in eller registrera för att svara
Bra jobbat grabbar, blir riktigt bra den där ! 
Bra jobbat 
Ser riktigt lovande ut det här 
Tack för glada tillrop!
Nu sitter snedsträvorna bakom sätena på plats.
Även strävorna som ska gå mellan bur och gaffelben börjar bli klara. Den sista tillpassningen kommer att ske med karossen på plats. Nu är det inte jättemycket kvar att fixa innan buren är helt klar.
En lite jobbig sak är att växelspaken behöver flyttas bakåt vilket innebär att kapa, svetsa och sedan måla om den nymålade ramtunneln... Fempunktsbälte och för långt till växelspaken är ingen bra kombo om man inte har riktiga babian-armar.
När bur och chassi är helt klart kvarstår det att fixa det sista på karossen, samt att göra ett nytt kablage:-).
Bra jobb , fattar inte helt hur du trer karossen över alla bågar
Mvh
Bra jobb , fattar inte helt hur du trer karossen över alla bågar
![]()
Mvh
Vi börjar med att ställa på karossen på plattan och sedan lyfter vi dit buren efter det:-).
Planen är att bygga en roligare motor under vintern och bygget av den kommer såklart att involveras i tråden, men jag kan ändå inte låta bli att posta en bild på förgasarna som jag budade in på Tradera häromdagen. Jag föredrar egentligen turbo och insprut 11 dagar av 10, men på just denna bil känns det mer rätt med en hederlig gammal förgasarmotor :-).
Nu måste jag bara hitta, eller tillverka, ett par kortare insug så att förgasarna får plats under karossen. Såg att Custom and Speedparts i Tyskland hade korta Typ 4 insug till IDF 40 men jag ska försöka hitta ett par som inte är gjutna i guld...
Hög tid att uppdatera tråden. Jag använder denna tråd lika mycket till att dokumentera bygget som att presentera det så ni får ha överseende med att det är många bilder:-).
Övre delen av fästena till gaffelbenen kommer att gå igenom karossen. De är därför delade och hålls ihop med en insexskruv som försänkts in i buren. Det är grymt lite plats mellan motor och kaross så det visade sig bli ett riktigt precisionsarbete att få till passningen.
Nästa steg var att flytta växelspaken bakåt ca 13 cm. Det var väl inte det roligaste jobbet att sätta kapskivan i den nylackade bottenplattan. Dessutom var det lite trickigt att inte kapa i något av rören som ligger på insidan. Flytten gjorde samtidigt underverk för möjligheten att växla på ett bekvämt sätt, så såhär i efterhand var det klart värt det. Handbromsspaken kortades också för att det inte det skulle bli krock.
Buren är lackad först med Hagmans CA epoxigrund och sedan med Jotun Conseal TU täckfärg (halvmatt svart). Fästena som är ditsvetsade i framdelen av buren är till för att fästa huv, ruta, instrumentbräda, stöttor till framvagnen och kablage. Instrumentbrädan är för övrigt delad från huven för att den ska gå att montera.
Det går åt mycket färg för att sprutlackera en bur...
Även karossen lackerades, på inrådan av den lokala färghandlaren, med epoxiprimer . Ovanpå detta ligger det ett lager 2K slipgrund. Min tanke är att åka en sommar på detta sätt för att se att allt lirar innan det är dags för topplack men jag måste säga att kulören på grundfärgen blev ganska rätt:-).
Stiligt 
Jag får sådana flaschbacks till när jag byggde min buggy.. flyttade oxå växelspaken bakåt... 200 mm sen vinklade jag över framkanten på handbromsen till pass sidan och kortade den något.. när jag ändå höll på... som sagt gör jättemycket för körbarheten med spaken kortare och längre bak..
Barnsligt vacker!
En fin rörhög som den där vill man nästan köra naken, alltså inte själv - utan kaross 
KArossen blir också fin, blir det sådana här coola lampor sen? https://www.youtube.com/watch?v=JO9BgtL_EdA
Helgrym! Gillar verkligen buren 
Tjena sjukt fint bygge!
MYCKET inspirerande burbygge, några frågor hoppas jag går bra eftersom jag ska sätta igång med min bur i vinter i liknande stuk
Dimension rör i huvudsak? Inga planer på vindruta i glas?
Bultförband genom kaross fram till framvagnen?
klarlack på grundfärgen?
eller några lager till
Tack för positiva tillrop! Det värmer:-).
Konsp: Rören är gjorda i 42x3mm, dvs godkända för dragracing om andan någon gång skulle falla på. Främre stöttorna är skruvade i båda ändarna (främre burbåge respektive framvagn) och träs igenom varsitt hål i torpedväggen. Det finns lite bilder tidigare i tråden som visar hur de är fästa. Det blir ingen ruta utan endast en vindavvisare i polycarbonat (lexan).
Rickard m: Tack för tipset på lampor. Till en början kommer jag att köra med lyktorna som satt på när jag köpte buggyn men nu har jag ett alternativ för framtiden:-).
Umekille: I praktiken är det väl i 1,5-2 lager slipgrund då jag lackade relativt tjockt. Ingen klarlack. Bilen kommer nog mest att användas under regnfria dagar så det borde fungera ett tag åtminstone.
Vi hade från början tänkt fästa huven med dzus skruvar men insåg sedan att vi ville ha en mer diskret look. I och med att instrumentbrädan är delad från huven fanns det inte längre några naturliga fästpunkter. Det landade i att huven får vila på buren och sedan dras nedåt med hjälp av skruvar som plastades fast på undersidan av huven.
På bilderna ser ni även den mellanvägg som jag passade på att plasta fast i huven. På denna kommer det sedan att sitta en gummilist som tätar mot ovansidan av torpeden vilket gör att det i princip blir tätt framåt plus att huven blir mycket stadigare. En liten varning om någon mer tänker sig att göra detta är att man får vara beredd på att behöva spackla huven något på ovansidan då den blev lite "bulig" av plastningen på undersidan. Det rörde sig om endast någon millimeter i tjocklek så det är ingenting som påverkar funktionen, men det visade sig vara på ett relativt svårspacklat ställe på huven.
Innan karossen skruvades fast slutgiltigt passade vi på att byta till framvagnsexcentrar med lite mer justermån.
Vi höll på länge och väl med att försöka få dit krängningshämmaren med de nyinköpta "original"-fästena utan att lyckas. Snacka om lycka när jag hittade dessa fina rostfria fästen från CSP som bara var att skruva dit.
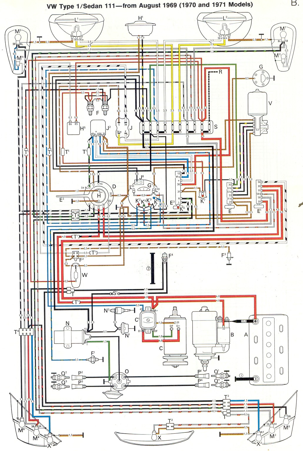
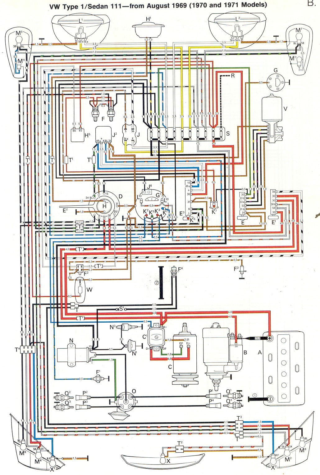
Efter att karossen och buren skruvats fast på chassit var det dags att dra kablage. Kablaget som satt i från början var inte mycket att ha (det finns nog någon bild på detta tidigare i tråden...) utan det var ganska lätt att ta beslutet att bygga ett nytt.
Kablarna köptes på metervara från Elproman. Det var första gången jag handlade därifrån men kan verkligen rekommendera dem. Lätt att beställa, många alternativ när det gäller färg och area samt snabb leverans. Vi försökte så långt det var möjligt att använda samma, eller liknande kabelfärger som original för att göra det enklare att felsöka mot ett riktigt kabelschema
Ett annat tips är att använda en original säkringsdosa eftersom de innehåller lite "intelligens" i form av bryggningar och extra anslutningar vilket minskar behovet av skarvar. Vi utgick från en dosa med 10st säkringar och i vårt fall hittade vi en plats att montera den på så att man kommer åt säkringarna från undersidan av instrumentpanelen medan kablarna ligger på ovansidan. Precis som på en originalbubbla med andra ord:). På tal om original så lyckades jag även gräva fram ett gammalt plåtfäste för helljus- respektive blinkersrelä som gick att modifiera ganska enkelt att passa.
Ett tredje tips är att köpa oisolerade kabelskor i mässing som sedan pressas med en rullpresstång vilket blir både prydligt och original likt.
Snyggt jobb! 

Lägger upp lite bilder på insidan. Då vi ville ha bilen så ren som möjligt sitter det endast en vindavvisare i 4mm polycarbonat istället för framruta vilket gör att vi slipper kravet på vindrutetorkare (+ att den blir lite coolare
...).
Det är kul att se en instrumentbräda med endast en ljusknapp i jämförelse med hur dagens bilar brukar se ut. Genom att måla ytterringen på hastighetsmätaren i samma färg som Autometermätarna samt montera den på liknande vis, med en bygel på baksidan, blev det en ganska bra matchning tycker jag:-).
Sidor Föregående 1 2 3 4 5 6 Nästa
Du måste logga in eller registrera för att svara
Boxerville » Projekt » Renovering av Buggy -66
Currently installed 2 official extensions. Copyright © 2003–2009 PunBB.