26

Dragstängerna är väl de som drar toppar och cylindrar på plats!?

Bubbla -62

27

Aha då fattar jag, det är nog ingen idé att återanvända WBX-bultarna till topparna, de brukar vara rostiga och bli skadade när man tar loss dem.
Jag tänkte använda vanliga M8 Typ1-bultar.

Dags att tillverka M18 pluggarna. Som sagt utgår jag från en gängstång 1m lång, det räcker och man kan göra några "vargar" också.
Kapa dem i lämpliga längder och gör ett skruvspår i ena änden. Det duger med ett snitt med vinkelkapen. Den änden är inte så noga, den ska ändå fräsas ned senare. Den ände som ska skruvas in i blocket svarvade jag av och slipade kanterna snygga så den tar gäng lätt.
Vi behöver 16st pluggar.

Rengör pluggar och M18-hålen och sen är vi redo att skruva i pluggarna. Dessa får aldrig lossna då vi kommer att borra/gänga dem excentriskt, därför måste de limmas fast med nåt starkt lim, jag använde Loctite 638.

De får sitta några dar innan vi börjar bearbeta dem.

Post's attachments

DSCF2989.JPG, 395.27 kb, 1024 x 768
DSCF2989.JPG 395.27 kb, 274 downloads since 2019-06-28 

DSCF2990.JPG, 477.05 kb, 1024 x 768
DSCF2990.JPG 477.05 kb, 279 downloads since 2019-06-28 

DSCF2992.JPG, 573.18 kb, 1024 x 768
DSCF2992.JPG 573.18 kb, 275 downloads since 2019-06-28 

DSCF2993.JPG, 359.48 kb, 1024 x 768
DSCF2993.JPG 359.48 kb, 269 downloads since 2019-06-28 

DSCF2994.JPG, 328.91 kb, 1024 x 768
DSCF2994.JPG 328.91 kb, 285 downloads since 2019-06-28 

28 Senaste redigerad av PPRMicke (2019-06-29 10:25:30)

Bussig67a skrev:

Hej Micke,

Kul att du vill bidra till denna tråd, det är det som är meningen att få in en massa kunskap om WBX och oxyboxer-bygge.
Läste igenom hela din tråd - fantastiskt motorbygge!

Min motor blir lite mer blygsam, en vridstark slitvarg i en buss...

Angående dragstänger (gissar att det är de som håller ihop blockhalvorna), tycker du att man bör undvika att återanvända de som sitter i WBX-blocket?

/Fredrik

Alla dragstänger som sitter i WBX är jättebra
Om du skall göra dragstänger så bör dom vara i kvalitet 10.9
Sen det där med M8 skrattar jag bara åt( I min värld är det ett jävla skämt med M8 Dagens rön är M11 eller tjockare för det skall bli mindre svikt där)
Som vanligt är massa skröner om det eller det VW körde kost save dom sparade 2,5 D mark per motor att gå från M10 till M8 Detta finns som en rapport hos SAE (https://www.sae.org/  ) Då tycker alla det är bra med M8
Om dom är ytrostiga så är det stålborsten som skall fram
På den oxyn som finns i tråden ( maskin Nr2) gick jag en annan väg på grund av massa HK
Är på gång med Nr3 som skall klara lite mer uttag av mos ( med genomgående dragstänger så skiten håller ihop ICQ/bq )
Om jag var dig skulle jag plana ytorna som cyllana står på 
Hur har du tänkt dig med cyllana hur du skall göra där
Skall du svarva av dom på utsidan eller kommer du köra med shims
Hur har du tänkt med kammen skall du köra med  wbx eller en typ 1
Ps det finns en grupp på fb
Är det något så är det bara pma
/// Micke

Utför Flödes test av toppar
och Motorsimulering
Och arborrar
Fueltech Ft 600 användare
Grundare  av 1600 utmaningen
Instagram @ pprmicke

29

PPRMicke skrev:

Ps det finns en grupp på fb
Är det något så är det bara pma
/// Micke

Näe kör på i tråden tycker jag! Ska vi hålla forumet levande så fortsätt posta och våga vägra fejsbook. Vi är fler än ni tror som inte har FB.

PM tar man väl bara för privata ärenden? Vi har ju kommit hit för att lära oss! ICQ/bv

Grinder and paint, makes me the welder I ain't

30

kee skrev:
PPRMicke skrev:

Ps det finns en grupp på fb
Är det något så är det bara pma
/// Micke

Näe kör på i tråden tycker jag! Ska vi hålla forumet levande så fortsätt posta och våga vägra fejsbook. Vi är fler än ni tror som inte har FB.

PM tar man väl bara för privata ärenden? Vi har ju kommit hit för att lära oss! ICQ/bv

Det kan alltid vara frågor som känns obekväma att lägga på ett forum Då kan man pma (typ vilken typ av verktyg man skall använda)
///Micke

Utför Flödes test av toppar
och Motorsimulering
Och arborrar
Fueltech Ft 600 användare
Grundare  av 1600 utmaningen
Instagram @ pprmicke

31

PPRMicke skrev:
kee skrev:
PPRMicke skrev:

Ps det finns en grupp på fb
Är det något så är det bara pma
/// Micke

Näe kör på i tråden tycker jag! Ska vi hålla forumet levande så fortsätt posta och våga vägra fejsbook. Vi är fler än ni tror som inte har FB.

PM tar man väl bara för privata ärenden? Vi har ju kommit hit för att lära oss! ICQ/bv

Det kan alltid vara frågor som känns obekväma att lägga på ett forum Då kan man pma (typ vilken typ av verktyg man skall använda)
///Micke

Fast vi måste väl ändå tillåta högt och lågt på forumet? Jag menar om det ens finns en misstanke om att en känsla av den typen av frågor är "obekväma", hur är det då ställt med öppenheten och toleransen hos besökarna? Det är ju inte så att vi diskuterar olagligheter eller om man får ligga med varandras fruar? ICQ/bw ICQ/bj  Eller så har jag som utomstående helt missat "tabun" i att använda fel verktyg och klampar härmed rakt i klaveret? Isf vill jag varna för magstarkt innehåll i min egen tråd; läses på egen risk!  ICQ/ai

Jag tror just detta är ett tecken i tiden och ska inte förstöra Fredriks tråd ännu mer. Jag är en av de som är verkligt glada över att någon kavlar upp ärmarna och ger sig på ett sånt här projekt och på ett ödmjukt sätt visar att man kan lära under resans gång. Att man inte måste kunna allt från början och att det bästa sättet att lära sig på är att försöka och misslyckas. Sluta inte Fredrik! ICQ/ay

Grinder and paint, makes me the welder I ain't

32

kee skrev:
PPRMicke skrev:
kee skrev:

Näe kör på i tråden tycker jag! Ska vi hålla forumet levande så fortsätt posta och våga vägra fejsbook. Vi är fler än ni tror som inte har FB.

PM tar man väl bara för privata ärenden? Vi har ju kommit hit för att lära oss! ICQ/bv

Det kan alltid vara frågor som känns obekväma att lägga på ett forum Då kan man pma (typ vilken typ av verktyg man skall använda)
///Micke

Fast vi måste väl ändå tillåta högt och lågt på forumet? Jag menar om det ens finns en misstanke om att en känsla av den typen av frågor är "obekväma", hur är det då ställt med öppenheten och toleransen hos besökarna? Det är ju inte så att vi diskuterar olagligheter eller om man får ligga med varandras fruar? ICQ/bw ICQ/bj  Eller så har jag som utomstående helt missat "tabun" i att använda fel verktyg och klampar härmed rakt i klaveret? Isf vill jag varna för magstarkt innehåll i min egen tråd; läses på egen risk!  ICQ/ai

Jag tror just detta är ett tecken i tiden och ska inte förstöra Fredriks tråd ännu mer. Jag är en av de som är verkligt glada över att någon kavlar upp ärmarna och ger sig på ett sånt här projekt och på ett ödmjukt sätt visar att man kan lära under resans gång. Att man inte måste kunna allt från början och att det bästa sättet att lära sig på är att försöka och misslyckas. Sluta inte Fredrik! ICQ/ay

X2
Jag vill också lära mig!

Bubbla -62

33

vill lära!!

Det är aldrig försent att ge upp, och börja om med gamla erfarenheter som grund.
http://boxerville.se/forum/viewtopic.php?id=2062  typ2 bay -73 RHD camping "Bay-Be Blue" bussen byggs i version 1..
http://boxerville.se/forum/viewtopic.ph … 73#p204073 latebayEh wannabesplit Dh.vilande tråd
http://boxerville.se/forum/viewtopic.php?id=2058  typ1 oval-56 "Maximiliam"  vilande tråd.:-(

34

Det fina med att bygga motor på detta sätt är att man kan välja vilka komponenter man tycker passar bäst till sin motor.

Vi bygger vidare på blocket.
Som nämnt så skruvar vi fast pluggarna med starkt lim, sen är det dags att att börja bearbeta dessa och hoppas att de sitter fast ordentligt.

Här finns flera möjligheter på hur man vill fräsa ned pluggarna. En enkel variant är att fräsa ned pluggar och blockyta tillsammans så man får en stor plan yta. Hur mycket man fräser ned ska man tänka på innan isåfall. Ett WBX-block är 230mm "brett" räknat mellan ytorna där cylindrarna står.
Det är en god idé att rita upp motorn med de komponenter man tänkt sig, de viktiga måtten är:
Slaglängd på vevaxel
Längd på vevstakar
Komphöjd på kolv (från centrum på kolvbult till kolvens topp)
(Det är även bra att tänka på kolvens längd under kolvbulten så att den har stöd i cylindern)
Cylinderns längd inklusive ev. shims eller stödringar.
Dessutom bör vi ha en idé om förbränningsrummets storlek för att få det kompressionsförhållande vi tänkt oss.

Det hela går ut på att se till att kolven hamnar "rätt" vid sin högsta punkt i cylindern. Hur mycket man fräser ned blockytan påverkar detta.


Men som vanligt har jag tänkt pröva nåt annat denna gång. Jag vill se om det går att använda original blockyta utan fräsning. Den ytan har lite avlagringar från tidigare användning, ska se om det går att "slipa" bort det med slippasta och en cylinder.
Med denna lösning vill jag inte att M18 pluggarna sticker upp, så jag fräste ned dem 0.1mm under blockytan utan att skada blockytan. Jag använde samma excelkoordinater som när jag borrande för pluggarna, då fräses bara pluggarna, inget från blocket. Det gick fint.

Pluggarna inkräktar lite på mutterutrymmet för bultarna som håller ihop blocket så där fick jag fräsa bort en bit.

Efter det stoppar vi in det nya bultmönstret i excelfilen och borrar/gängar (i mitt fall M8).

Post's attachments

DSCF2995.JPG, 548.11 kb, 1024 x 768
DSCF2995.JPG 548.11 kb, 303 downloads since 2019-07-01 

DSCF2996.JPG, 596.03 kb, 1024 x 768
DSCF2996.JPG 596.03 kb, 322 downloads since 2019-07-01 

DSCF2998.JPG, 315.6 kb, 1024 x 768
DSCF2998.JPG 315.6 kb, 280 downloads since 2019-07-01 

DSCF2999.JPG, 427.01 kb, 1024 x 768
DSCF2999.JPG 427.01 kb, 269 downloads since 2019-07-01 

DSCF3004.JPG, 289.83 kb, 1024 x 768
DSCF3004.JPG 289.83 kb, 262 downloads since 2019-07-01 

35

Keep it up. Är egentligen inte intresserad av sånt här men läser allt med hull och hår då du gjort de intressant med bra text och bilder. Favvotråd här just nu och säkert fler med mig

58 busbil
60 dh-splitt
formel vee, snart på väg

36

ICQ/bi Mycket bra bilder och väl skrivet! Min favvo också ICQ/bq

Bubbla -62

37

ICQ/ay

Det är aldrig försent att ge upp, och börja om med gamla erfarenheter som grund.
http://boxerville.se/forum/viewtopic.php?id=2062  typ2 bay -73 RHD camping "Bay-Be Blue" bussen byggs i version 1..
http://boxerville.se/forum/viewtopic.ph … 73#p204073 latebayEh wannabesplit Dh.vilande tråd
http://boxerville.se/forum/viewtopic.php?id=2058  typ1 oval-56 "Maximiliam"  vilande tråd.:-(

38

Har inte heller några planer på ett sådant projekt men kul och lärorikt att läsa om hur man kan göra  ICQ/ay

SO42 Walk thru 67 http://boxerville.se/forum/viewtopic.php?id=39806
Karmann Ghia 143 / 1962
T5 California

You're Never a loser until you quit trying.

39

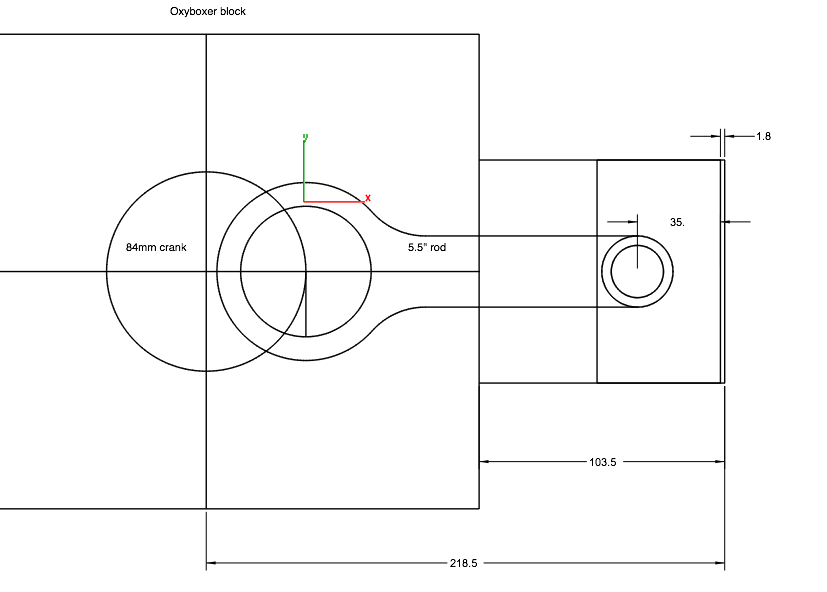
Dags att börja fundera på hur cylindrarna ska sitta i blocket.
Ett WBX-block har 100mm hål för cylindrar, det är samma som Typ4. Då är det ju frestande att använda dessa cylindrar. Som vi konstaterade tidigare sitter pinbultarna annorlunda på en Typ4 så om vi använder dessa måste man borra/fräsa för att Typ1 pinbultarna ska gå fritt kylflänsarna på cylindrarna. Det går att göra och Typ4 cylindrar är tjocka i godset och har stora kylflänsar. Dessa två egenskaper är visserligen bra men det skapar problem när vi använder Typ1-toppar och kylplåtar. Jag lämnar detta till nån annan att pröva.

Alltså ska jag använda Typ1 cylindrar. Dessa finns ju i en massa olika storlekar och utföranden. Om vi nu tänker 94mm cylindrar så brukar dessa vara drygt 101 mm utvändigt i toppen och drygt 97mm utvändigt i botten.
Typ1-blocket är 200mm brett men WBX är 230mm brett, det betyder att längden på de flesta Typ1 cylindrar är fel.

För att få en Typ1 cylinder att passa i ett 100mm hål i blocket måste nåt göras. Ett sätt är att använda en stödring (se bild) som är svarvad så att den passar perfekt i 100 mm hålet samt även för en Typ1 cylinder.
Eller så svarvar man av sin Typ1 cylinder en bit, passar bra om vi ändå ska få ner cylindern en bit i blocket (teoretiskt borde cylindern ner 15mm mer i blocket är på Typ1). Det brukar gå fint att svarva av Cylindern men en Typ1 cylinder har inte så mycket gods så det blir en ganska liten anliggningsyta mot blocket. Kan bli tätningsproblem. Men jag tänkte pröva en annan lösning på tätningen genom att fräsa in ett litet O-ringsspår i blocket som ska täta mot cylindern. Återkommer till det senare.

Som nämnt tidigare är det bra att rita upp allt för att se hur lång cylindern ska vara, och därmed hur mycket som ska svarvas bort.
Ritningen på bilden stämmer förstås bara för just denna kombination av vevaxel, vevstake, kolv och kompressionshöjd (avståndet mellan kolvtopp och cylindertopp).

Post's attachments

Skärmavbild 2017-12-15 kl. 17.18.14.png, 481.14 kb, 633 x 468
Skärmavbild 2017-12-15 kl. 17.18.14.png 481.14 kb, 268 downloads since 2019-07-07 

Skärmavbild 2019-07-07 kl. 18.25.16.png, 43.89 kb, 827 x 592
Skärmavbild 2019-07-07 kl. 18.25.16.png 43.89 kb, 279 downloads since 2019-07-07 

40

Du har rätt i att det krävs lite bearbetning av en Typ 4 cylinder men det är mest mått som inte kräver så hög precision (kylflänsar och hål till pinnskruvar/dragstänger). Som du nämner passar de direkt i blocket så man slipper centreringsringar där. Kompletterat med Limbach toppar så bli det nästan bolt-on.

Post's attachments

OXY-001.jpg, 157.88 kb, 1000 x 750
OXY-001.jpg 157.88 kb, 287 downloads since 2019-07-08 

41

O-ring känns overkill då det inte finns något tryck där. Största problemet med liten yta är inte att få det tätt, då skulle varenda folkamotor har problem mot topparna, utan att få det stadigt. Det blir mindre material kvar om man ska ha en o-ring där.

"Sex can lead to nasty things like herpes, gonorrhea, and something called relationships.. Booyakasha!"
Ali G

42

Jag lägger O-ringen en bit ner i blocket så att det inte påverkar hållfastheten nämnvärt. Det är mest för att jag är nyfiken på om det fungerar.

Limbach-toppar låter ju intressant, det är väl en firma som bygger VW flygmotorer. Finns dessa toppar att köpa till rimliga pengar?

43

Semestern är över, dags att bygga vidare på oxymotorn.

Det är snart dags att svarva cylindrarna till rätt mått, men innan dess tar vi en liten titt på topparna.

Detta beror på att topparnas utformning påverkar hur långa cylindrarna ska vara.
Vi bestämmer oss för vilket kompressionsförhållande vi vill ha och en viktig parameter i detta är volymen på förbränningsrummen.

Detta kan mätas genom att hälla i vätska i toppen och se hur mycket vätska som ryms.
Jag köpte 4mm plastglas på Biltema och sågade till en rund bit som passade precis i toppen. Borrade ett påfyllninghål i mitten och några avluftningshål i kanterna. På apoteket kan man köpa en graderad spruta, 50ml. Lite plastslang och så har vi det vi behöver.
Först tänkte jag använda nåt trögflytande (filmjölk!) men vid närmare eftertanke är det ju också bra att se om ventilerna tätar OK.
Det blev äppeljuice istället.

50ml är i minsta laget, så jag började med att spruta i 20ml, sen fyllde jag upp sprutan full igen. På med lite vaselin i kanterna på plastskivan för att hålla tätt och sen sprutade jag in vätskan tills det nuddade plastskivan och just började fylla avluftningshålen.
Avläsning av den graderade sprutan visade att förbränningsrummen är 57ml (eller cc).

Detta kan stoppas in i beräkningen av kompressionsförhållandet.
Jag tänker inte gå in på vad som är lämpligt kompressionsförhållande, det beror ju på en mängd faktorer och önskemål. Jag bara beskriver hur man gör rent praktiskt.

Post's attachments

DSCF3035.JPG, 244.4 kb, 1024 x 768
DSCF3035.JPG 244.4 kb, 281 downloads since 2019-08-19 

DSCF3036.JPG, 291 kb, 1024 x 768
DSCF3036.JPG 291 kb, 270 downloads since 2019-08-19 

DSCF3037.JPG, 441.08 kb, 1024 x 768
DSCF3037.JPG 441.08 kb, 255 downloads since 2019-08-19 

DSCF3038.JPG, 339.39 kb, 1024 x 768
DSCF3038.JPG 339.39 kb, 250 downloads since 2019-08-19 

44

Här är beräkningen på kompressionsförhållande och motorstorlek.

Post's attachments

Attachment icon MotorCalc.xlsx 39.29 kb, 344 downloads since 2019-08-19 

45

ICQ/ay

"ljushuvud"

46

Jag har mätt upp alla delar och gjort en ritning så då borde ju allt stämma. Eller?
Det kändes bäst att faktiskt montera ihop och mäta i verkligheten. Svarvade av en cylinder till 1mm längre än beräknat slutmått.
I med vev, stake, cylinder och kolv. Vrida motorn till övre dödläge och mäta avståndet från kolvtopp till cylindertopp.
Det stämde sånär som på 0,13mm. Då kan jag kompensera för det och gå vidare med svarvning av  alla cylindrar.

Post's attachments

DSCF3049.JPG, 618.84 kb, 1024 x 768
DSCF3049.JPG 618.84 kb, 294 downloads since 2019-08-21 

DSCF3050.JPG, 380.39 kb, 1024 x 768
DSCF3050.JPG 380.39 kb, 291 downloads since 2019-08-21 

47

Svarvning av alla fyra cylindar är klart. Här är det ju viktigt att alla (i alla fall parvis) är exakt samma höjd, blockyta till topplock. Annars blir det inte tätt i förbränningsrummet. Jag löste det genom att först svarva alla cylindrar till 0.1mm för långa (mätning på digitalen), sen justerade jag in längdmatningen den sista tiondelen och låste fast den. Nu monterades cylindrarna pressade mot chucken och så svarvar jag av den sista tiondelen. Samma på alla cylindrarna utan att flytta längdmatningen.

Bottendelen av cylindrarna ser lite skumt ut med fyra olika diametrar, bildtexten förklarar.

Cyliderhålen i blocken är 100,15mm. Kollade en typ 4 cylinder (tack för lånet Foppa - du ska få tillbaks dem nu) och den är 99,75mm. det skulle bli 0,4mm spel, jag svarvade mina 99,9mm och det blir 0,25mm spel. Det kändes OK, vet inte om det spelar så stor roll.

Detta gjordes med min gamla Blomqvistare från 50-talet (tror jag). Funkar fint och den blev lite modern så här på gamla dar med montering av en digital.

Post's attachments

DSCF3039.JPG, 380.58 kb, 1024 x 768
DSCF3039.JPG 380.58 kb, 264 downloads since 2019-08-28 

DSCF3041.JPG, 646.41 kb, 1024 x 768
DSCF3041.JPG 646.41 kb, 296 downloads since 2019-08-28 

DSCF3076.JPG, 342.53 kb, 1024 x 768
DSCF3076.JPG 342.53 kb, 293 downloads since 2019-08-28 

DSCF3077.JPG, 555 kb, 1024 x 768
DSCF3077.JPG 555 kb, 342 downloads since 2019-08-28 

48

ICQ/bi

49

Dags att ta en liten genomgång av vilka delar jag använder till denna motor. Det är som sagt ingen racemotor utan ska bli en slitvarg med bra vrid och fin körbart på låga varv. Jag kör normalt mellan 2000 - 3000 rpm.
Delarna är en salig blandning av sånt som fanns i lådorna och lite nytt och lite eget.

Block: Vattenboxer DG 1,9Liter
Cylindrar AA för stroker upp till 86mm.
Kolvar AA gjutna med 35mm komphöjd, belagda med nåt på utsidan. Platt topp.
Stakar: 5,5" H-profil billig variant.
Topplock AA 501 37,5/42mm.
Insug blir nog CB 2" för insprutning som i övrigt lknar original (centrummonterat spjällhus).
Förgasare: Nä - det blir insprutning.
Vevaxel: 84mm smidd 4340 av egen design:

Det finns inte riktigt nån bra lösning på strokad vevaxel till Vattenboxern. Original var det 69mm (1.9L) eller 76,x mm (2,1L).
Orginalveven är en blandning mellan typ 1 och typ 4. Bakre delen är typ1, men främre lagret (det vid svänghjulet) är typ 4 som är lite större.
Alltså passar en typ 4 inte alls, och en typ 1 vevaxel måste anpassas med specialdelar för att fungera.

Därför har jag slagit mig ihop med en kompis i Norge och vi tog fram en vevaxel som är "drop in" med 84mm slag. Den har VW journaler för stakarna (55mm) och ramlagren är som sagt std vattenboxer.
Svänghjulsändan är typ 4 och då måste man använda ett svänghjul med typ 4 bultmönster. Där kan man välja lite olika storlek på kopplingen, själv tänkte jag köra ett svänghjul som är gjort med typ 4 bultmönster men typ 1 koppling.

Vi har testat veven i en racing 1303a. Den fungerar mycket bra, än så länge har vi varvat 7.600 utan några problem.
Den motorn är byggd för att ge effekt vid högre varvtal - ej lämplig i en buss.

Post's attachments

DSCF3044.JPG, 343.08 kb, 768 x 1024
DSCF3044.JPG 343.08 kb, 267 downloads since 2019-08-30 

DSCF3045.JPG, 504.11 kb, 1024 x 768
DSCF3045.JPG 504.11 kb, 297 downloads since 2019-08-30 

DSCF3046.JPG, 366.16 kb, 1024 x 768
DSCF3046.JPG 366.16 kb, 295 downloads since 2019-08-30 

DSCF3079.JPG, 356.11 kb, 1024 x 768
DSCF3079.JPG 356.11 kb, 266 downloads since 2019-08-30 

DSCF3080.JPG, 357.65 kb, 1024 x 768
DSCF3080.JPG 357.65 kb, 270 downloads since 2019-08-30 

50

ICQ/ay

Bubbla -62