1

Startar en projekt tråd om trimning
Som ni kan lägga ut era toppar hur ni filar
Jag kommer lagga ut lite saker
Och vilka fallgropar det finns i en Dp  topp
/// M

Utför Flödes test av toppar
och Motorsimulering
Och arborrar
Fueltech Ft 600 användare
Grundare  av 1600 utmaningen
Instagram @ pprmicke

2

Ett högst intressant ämne! Bifogar en video för dom som har köpt Panchito-toppar. Kanske är applicerbart på andra gjutningar med?

Twin Peak Boxers

Instagram: tpb_karl
Youtube: https://www.youtube.com/@tpb_karl

3

Lite lätta saker att göra med en std 1600 topp
Som lägga  dit stålpackningen måla med en sprit penna sen ritsa runt hålet Sen  filar man bort det som är innan för kanten
Nästa sak  fixa bort kanten på insidan av ventilen  Detta kan man göra med borrmaskin och en fil sen slip papper
Så har man fixat någon hk till (dom sakerna finns i Topplock o trimmning tråden ) även detta har man testat i flödes test bänken
Sen var det förbrännings rummen som skall vara blanka i ytan för slippa spikningar även detta är lätt fixat
Håller på med ett prov på en 1600 topp ( en kanal)  så det kan fräna Hk typ till 1600 utmaningen
Det kommer lite info även om den toppen  Dom flödar nästan som Panchito locken
Kul med höga lufthastigheter  som det blir med 35.5 mm ventil
/// Micke

Post's attachments

DSCN0762.jpg, 306.58 kb, 1600 x 1200
DSCN0762.jpg 306.58 kb, 61 downloads since 2025-07-14 

DSCN0763.jpg, 247.16 kb, 1600 x 1200
DSCN0763.jpg 247.16 kb, 63 downloads since 2025-07-14 

DSCN0937.jpg, 94.39 kb, 1600 x 1200
DSCN0937.jpg 94.39 kb, 67 downloads since 2025-07-14 

IMG_20250702_141745.jpg, 683.87 kb, 1594 x 1200
IMG_20250702_141745.jpg 683.87 kb, 58 downloads since 2025-07-14 

IMG_20250708_120711.jpg, 930.62 kb, 1594 x 1200
IMG_20250708_120711.jpg 930.62 kb, 57 downloads since 2025-07-14 

Utför Flödes test av toppar
och Motorsimulering
Och arborrar
Fueltech Ft 600 användare
Grundare  av 1600 utmaningen
Instagram @ pprmicke

4

Karlskandal skrev:

Ett högst intressant ämne! Bifogar en video för dom som har köpt Panchito-toppar. Kanske är applicerbart på andra gjutningar med?

Ett tips  Har du läst det finstilta på h sidan Står längs ned och vad dom hade för insug
Det är bra att veta
/// M

Utför Flödes test av toppar
och Motorsimulering
Och arborrar
Fueltech Ft 600 användare
Grundare  av 1600 utmaningen
Instagram @ pprmicke

5 Senaste redigerad av PPRMicke (2025-07-17 08:41:26)

Några grund läggande tips
När man funderar på en frän motor skall man fråga sig själv vilket sätt man skall använda den till
Om man skall åka köpa glass med fina lågvarvs egenskaper  eller  man kommer köra långa turer  (Då skall man ha så små ventiler som möjligt och en  kam med låga durationer ( grader på kamen   
Skall man vara lite fräck o vara lite kakig och är beredd på den går lite sämre på låga varvtal och börjar arbeta runt 2000 varv uppåt  på en lite motor 1600-1776  är den större volym  bli det en annan sak
Eller är det en motor som man kan köra lite på street/strip    då blir det större ventiler
eller en ren racing motor ännu större ventiler och kam 
lite grund läggande vad en ventil klarar hantera i hk  35.5 150( är man jäkligt duktig som JPM tar man man ut 190+
40 mm är jätte lagom för dom för 90%  ja man kan få ut 200+   42 mm ventil där kräver det hel del arbete för få ut 220 hk 44 mm är det ännu mera arbete för den skall fungera i hop med insug o förgasare runt 260 hk klarar den
Är man smart så tittar man inte på ventil storleken man tittar hur stort sätes hålet är  en lätt sak att tänka på är man räknar MINUS 6mm på ventilen så har man cirka storlek på  sätes hålet 
Det ihop med hals ringen i förgasaren avgör hur det fungerar i verkligheten är någon av dessa delar förstora blir motorn tråkig att köra med
All ha lite för små typ hals ringar är alltid en för del på en motor som skall köras på gatan så man får upp luft hastigheten
Lufthastighet ja den jätte hög i en kanal man  räknar typ med  100 meter i sek  eller  mer
Det är inga lätta saker
/// M

Utför Flödes test av toppar
och Motorsimulering
Och arborrar
Fueltech Ft 600 användare
Grundare  av 1600 utmaningen
Instagram @ pprmicke

6

Är det stor risk att förstöra topparna när man grottar själv istället för att låta någon van trimningsguru göra jobbet, funderar på vad kostnaden är om man lämnar topparna till en verkstad.

One humans junk is another's vwomens or mans treasure.

Förundras bör du göra över hela alltet, även det enklaste i tillvaron.

7

vwato skrev:

Är det stor risk att förstöra topparna när man grottar själv istället för att låta någon van trimningsguru göra jobbet, funderar på vad kostnaden är om man lämnar topparna till en verkstad.

Små saker går alltid att göra
Som att öppna kanalen för rätt mått i insugen fixa ventiler
Att fin lappa(slipa) in ventiler
 
Det är inte så många som vet att varje gång man slipar in ventilen i ventil säten tappar men hästar och risken för varmgång är mycket stor  Plus den sjunker ner sätet
( en helt annan sak viste ni att ventilerna blir Ovala när maskinen har gått massa tusen mil )

En sådan sak som bredden på kontakt ytan mellan ventil och säte kan göra så man får några mer hästar  att gå från 1.5 mm till 1.4mm kan göra 5 hk

Man kan göra det mesta i kanalen själv man får vara försiktig
En väldigt lätt sak är att försöka slipa lite på toppen av insugs styrningen så den  får en koniskform det ger också lite

Att höja kompet är den lättaste lösningen  för att få lite mer hästar i maskinen ihop  med  1.25 vippor Med ett bra avgasrör där kan man hitta 10 eller mer med rätt bestyckad förgasare väldig lätt och pris värd trimning ( mer kam lyft än  en w100 kam ) utan att dela på maskinen
/// M

Utför Flödes test av toppar
och Motorsimulering
Och arborrar
Fueltech Ft 600 användare
Grundare  av 1600 utmaningen
Instagram @ pprmicke

8

Hur man tappar effekt
Vi tar lite om beg ventiler och hur lätt det är att tappa hästkrafter
Om man tittar noga på en gammal insugningsventil så är det en grop i kontakt ytan  med 4 sådana tappar man lätt 5-7 hk på grund av flödet runt tätnings ytan 
Man börjar slipar ventilen i slipmaskinen  så ser man även den är oval i kontakt ytan och även det stör luften och tätningen mot sätet blir dåligt
Det är flera saker som händer också  Som att ventilen går varm och stor risk att man skadar ventilstyrningen Avgas sidan kan man bränna ventilen Står man slipar in sådana med ventil pasta  så blir det ännu sämre för ventilen får ingen kylning av ventilsätet
När kontakt ytan är plan och skaftet är friskt  så är det en bra början på sitt trim projekt ( då flödar det fritt utan virvlar )
Vill man göra ventilen lite bättre så det flödar lite till slipar man av kanten på insidan så börjar man få plus siffror på flödet
Det är en bra början på sitt trim projekt
Även CBs/Empi ventiler på sina lock kan man göra den förbättringen  ( lite tid men det är det värt om man vill få lite extra
/// Micke

Post's attachments

IMG_20250715_105627.jpg, 333.08 kb, 904 x 1200
IMG_20250715_105627.jpg 333.08 kb, 65 downloads since 2025-07-15 

IMG_20250715_114047.jpg, 390.46 kb, 1594 x 1200
IMG_20250715_114047.jpg 390.46 kb, 58 downloads since 2025-07-15 

IMG_20250715_115154.jpg, 483.8 kb, 1594 x 1200
IMG_20250715_115154.jpg 483.8 kb, 68 downloads since 2025-07-15 

IMG_20250715_120940.jpg, 396.4 kb, 1594 x 1200
IMG_20250715_120940.jpg 396.4 kb, 61 downloads since 2025-07-15 

Utför Flödes test av toppar
och Motorsimulering
Och arborrar
Fueltech Ft 600 användare
Grundare  av 1600 utmaningen
Instagram @ pprmicke

9

Tar lite om ventil sätet också när man är i gång
Ventilsätet är en av dom viktigaste sakerna i en topp
Är det för bred yta tappar man mycket flöde  kan vara så mycket som 15%  och ihop med en dålig ventil lätt 10-15 hk ( på 50 hk som det är på en 1600 börjar bli en trött maskin )
Tog ett foto på ett säte som har haft ett hårt liv och Färgade så man ser hur bred ytan är  Den skall vara som std 1.5 mm bred
Bara för att förklara hur slitet sätet är tog jag fräste ett varv för man skall förstå hur oval sätet är och hur dålig kontakt ytan är
Dom här sakerna ( ventil och ventilsätet ) är i ny skick eller med 3 vinklar då har man stora potential att maskinen kommer gå som man har tänkt sig eller bättre
Sista bilden på ett säte med tre vinklar och 1.5 mm bred ( avgas sidan) Insuget är mira fräst med ett specialstål Bara det gör 7-9 cfm (Ps det är skadat  för man har varit där med filen) ökat flöde ( billiga hästar)    har man så har man mycket potential få det tätt och bra början på projektet 
Funkar jätte bra med 3 vinklar både på avgas o insug
/// M

Post's attachments

IMG_20211128_131150.jpg, 699.86 kb, 1600 x 1200
IMG_20211128_131150.jpg 699.86 kb, 59 downloads since 2025-07-15 

IMG_20250715_150013.jpg, 500.68 kb, 1594 x 1200
IMG_20250715_150013.jpg 500.68 kb, 66 downloads since 2025-07-15 

IMG_20250715_150220.jpg, 526.53 kb, 1594 x 1200
IMG_20250715_150220.jpg 526.53 kb, 62 downloads since 2025-07-15 

Utför Flödes test av toppar
och Motorsimulering
Och arborrar
Fueltech Ft 600 användare
Grundare  av 1600 utmaningen
Instagram @ pprmicke

10

Jag fort sätter med man bör tänka på innan man filer i en topp
Börjar med långa radien där det sitter en liten bula den skall man inte röra om man inte vill att det skall spricka för ventilfjädern sitter på andra sidan och gör det blir höga belastningar och alun spricker efter en stund 
/// M

Post's attachments

IMG_20250717_115809.jpg, 271.76 kb, 904 x 1200
IMG_20250717_115809.jpg 271.76 kb, 57 downloads since 2025-07-17 

Utför Flödes test av toppar
och Motorsimulering
Och arborrar
Fueltech Ft 600 användare
Grundare  av 1600 utmaningen
Instagram @ pprmicke

11

Då kommer vi det med gratis effekt
Fram med en gammal 113 topp som har haft ett hårt liv putsade ren runt sätes ringen
Sen in med den ventilen som hade vart där sitt liv med skev kontakt yta
Ihop med toppen  sen fick den en sväng i flödes maskinen för att se resultatet  samtidigt mäta upp luftens hastighet
Resultatet ser ni på bilderna  Hastigheten är lite suddig men den var 77.8 Ms
Fort sättning följer
/// M

Post's attachments

IMG_20250715_150013.jpg, 500.68 kb, 1594 x 1200
IMG_20250715_150013.jpg 500.68 kb, 67 downloads since 2025-07-17 

IMG_20250717_113516.jpg, 225.06 kb, 904 x 1200
IMG_20250717_113516.jpg 225.06 kb, 53 downloads since 2025-07-17 

IMG_20250717_124514.jpg, 462.95 kb, 1594 x 1200
IMG_20250717_124514.jpg 462.95 kb, 59 downloads since 2025-07-17 

IMG_20250717_124736.jpg, 309.38 kb, 1594 x 1200
IMG_20250717_124736.jpg 309.38 kb, 60 downloads since 2025-07-17 

Utför Flödes test av toppar
och Motorsimulering
Och arborrar
Fueltech Ft 600 användare
Grundare  av 1600 utmaningen
Instagram @ pprmicke

12

Fortsättningen på vad en beg ventil eller slipad/ny 
Så fick man slipa kontakt ytan  sen in flödes bänken o testa igen ( det tar tid men det kan vara bra att veta )
och resultatet blev så här
Det börjar likna något med flödet  sen blev jag förvånad att luft hastigheten ökade så bra 78.4 Ms
/// M

Post's attachments

IMG_20250715_115154.jpg, 483.8 kb, 1594 x 1200
IMG_20250715_115154.jpg 483.8 kb, 66 downloads since 2025-07-17 

IMG_20250717_124726.jpg, 566.39 kb, 1594 x 1200
IMG_20250717_124726.jpg 566.39 kb, 57 downloads since 2025-07-17 

IMG_20250717_131428.jpg, 654.5 kb, 1594 x 1200
IMG_20250717_131428.jpg 654.5 kb, 52 downloads since 2025-07-17 

IMG_20250717_131908.jpg, 264.8 kb, 904 x 1200
IMG_20250717_131908.jpg 264.8 kb, 70 downloads since 2025-07-17 

Utför Flödes test av toppar
och Motorsimulering
Och arborrar
Fueltech Ft 600 användare
Grundare  av 1600 utmaningen
Instagram @ pprmicke

13

Hej
Det är många som läser men inga frågor
Kan alla leka med lock eller är det själv klart att man har lagt ut?
/// Micke

Utför Flödes test av toppar
och Motorsimulering
Och arborrar
Fueltech Ft 600 användare
Grundare  av 1600 utmaningen
Instagram @ pprmicke

14

PPRMicke skrev:
vwato skrev:

Är det stor risk att förstöra topparna när man grottar själv istället för att låta någon van trimningsguru göra jobbet, funderar på vad kostnaden är om man lämnar topparna till en verkstad.

Små saker går alltid att göra
Som att öppna kanalen för rätt mått i insugen fixa ventiler
Att fin lappa(slipa) in ventiler
 
Det är inte så många som vet att varje gång man slipar in ventilen i ventil säten tappar men hästar och risken för varmgång är mycket stor  Plus den sjunker ner sätet
( en helt annan sak viste ni att ventilerna blir Ovala när maskinen har gått massa tusen mil )

En sådan sak som bredden på kontakt ytan mellan ventil och säte kan göra så man får några mer hästar  att gå från 1.5 mm till 1.4mm kan göra 5 hk

Man kan göra det mesta i kanalen själv man får vara försiktig
En väldigt lätt sak är att försöka slipa lite på toppen av insugs styrningen så den  får en koniskform det ger också lite

Att höja kompet är den lättaste lösningen  för att få lite mer hästar i maskinen ihop  med  1.25 vippor Med ett bra avgasrör där kan man hitta 10 eller mer med rätt bestyckad förgasare väldig lätt och pris värd trimning ( mer kam lyft än  en w100 kam ) utan att dela på maskinen
/// M

Du nämner att 1 tiondel kan göra 5 hk, på vilken motor, och är det på 6000 varv?
På en stabil bussmotor, hur bred kan man göra kontaktytan där?
Den stabila motorn ska gilla att dra runt en tung buss i 100 kmh i timmar.
/Mogge

You should want it to be hard, then no one can replicate what You did create!

15

PPRMicke skrev:

Hej
Det är många som läser men inga frågor
Kan alla leka med lock eller är det själv klart att man har lagt ut?
/// Micke

Tror nog många, det är min uppfattning iaf, att det är ett intressant ämne men man är alldeles för rädd att testa något själv. Men man lär ju börja någonstans, så super med tips och trix att läsa och lära sig  ICQ/ay

Big Lake VW

Donna ’55
Racebuggy ’66
Larven '73
https://boxerville.se/forum/viewtopic.php?id=58885

16 Senaste redigerad av PPRMicke (2025-07-20 19:54:07)

Mogge skrev:
PPRMicke skrev:
vwato skrev:

Är det stor risk att förstöra topparna när man grottar själv istället för att låta någon van trimningsguru göra jobbet, funderar på vad kostnaden är om man lämnar topparna till en verkstad.

Små saker går alltid att göra
Som att öppna kanalen för rätt mått i insugen fixa ventiler
Att fin lappa(slipa) in ventiler
 
Det är inte så många som vet att varje gång man slipar in ventilen i ventil säten tappar men hästar och risken för varmgång är mycket stor  Plus den sjunker ner sätet
( en helt annan sak viste ni att ventilerna blir Ovala när maskinen har gått massa tusen mil )

En sådan sak som bredden på kontakt ytan mellan ventil och säte kan göra så man får några mer hästar  att gå från 1.5 mm till 1.4mm kan göra 5 hk

Man kan göra det mesta i kanalen själv man får vara försiktig
En väldigt lätt sak är att försöka slipa lite på toppen av insugs styrningen så den  får en koniskform det ger också lite

Att höja kompet är den lättaste lösningen  för att få lite mer hästar i maskinen ihop  med  1.25 vippor Med ett bra avgasrör där kan man hitta 10 eller mer med rätt bestyckad förgasare väldig lätt och pris värd trimning ( mer kam lyft än  en w100 kam ) utan att dela på maskinen
/// M

Du nämner att 1 tiondel kan göra 5 hk, på vilken motor, och är det på 6000 varv?
På en stabil bussmotor, hur bred kan man göra kontaktytan där?
Den stabila motorn ska gilla att dra runt en tung buss i 100 kmh i timmar.
/Mogge

Tjänare Mogge   Kommer ett diagram snart om bredden på sätet
Det gäller alla motorer med ventiler som öppnar o stänger  och det har inget med varvtal att göra
En std motor för slippa varmgång på ventilerna så styrningen mår illa är mindre än 2 mm ett bra mått  ( mer är det större risk att man bränner en avgasventil )
Vw säger 1.5 mm bredd på kontakt ytorna  framför allt på avgasventilen  då kyler det bäst sen behövs det mindre kraft av ventilfjärden att hålla ventilen tät
Att man vill ha det så är för värmen går i från ventilen till toppen genom kontaktytan och ventilskaftet Men är kontakt ytan stor orkar inte värmen gå genom oljefilmen i ventilskaftet   sen blir ventilfjäderana utmattade av värmen   Av värmen i ventilskaftet (hur man ser det är att fjädern är kolsvart av bränd olja
Är det riktigt illa brukar motorn spika på grund av avgasventilen  blir så varm så det är nästan som ett tändstift

Om vi diskuterar racing och tätnings ytorna är det inte ovanligt med 0.8 mm på insug och 1.3 mm på avgas för att öka flödet i kanalen
/// Micke

Utför Flödes test av toppar
och Motorsimulering
Och arborrar
Fueltech Ft 600 användare
Grundare  av 1600 utmaningen
Instagram @ pprmicke

17

PPRMicke skrev:

Hej
Det är många som läser men inga frågor
Kan alla leka med lock eller är det själv klart att man har lagt ut?
/// Micke

Jag leker lite med mina toppar (med betoning på leker) ibland, på en nivå där jag drömmer om 5-10hk i bästa fall..... men jag kan definitivt inte, jag läser och försöker lära och förstå, och är definitivt inte på en nivå där jag kan ställa rimliga frågor!  ICQ/ah

Men när nu uppmaningen är att ställa frågor: Det pratas och mäts i allmänhet bara på flödet i insugskanalen som jag förstått det, borde inte flödet på avgassidan vara intressant åxå? Jag gissar att det är svårare att suga in bränsle/luftblandningen än det är att trycka ut avgaserna, och därför viktigare med flöde på insugssidan, men ett bra flöde på avgassidan bör väl gynna effekten det med?

/ Hella

Typ 1 1956, Typ 1 Sunroof 1961, Typ 14 Karmann-Ghia Cabriolet 1967, Typ 2 Pick-Up 1966, Typ 3 Fastback 1969, Typ 34 Karmann-Ghia Sunroof 1963
"Oavsett om Du tror att Du kan, eller om Du tror att Du inte kan, så kommer Du vanligtvis att ha rätt!" (Henry Ford)

18

Festlund skrev:
PPRMicke skrev:

Hej
Det är många som läser men inga frågor
Kan alla leka med lock eller är det själv klart att man har lagt ut?
/// Micke

Tror nog många, det är min uppfattning iaf, att det är ett intressant ämne men man är alldeles för rädd att testa något själv. Men man lär ju börja någonstans, så super med tips och trix att läsa och lära sig  ICQ/ay

Ja man bör ha en skrottopp att labba med
Men ofta behöver man inte göra mer än sätena för en VW topp räcker väldigt länge i kanalena runt 100-120 hk säger flödes bänken när det gäller toppen  men insug/ förgasare  o avgassystem är begräsningen
Men kompet är bedrövligt lågt för motorn skall klara 87 oktans bränsle
/// M

Utför Flödes test av toppar
och Motorsimulering
Och arborrar
Fueltech Ft 600 användare
Grundare  av 1600 utmaningen
Instagram @ pprmicke

19 Senaste redigerad av PPRMicke (2025-07-20 20:25:51)

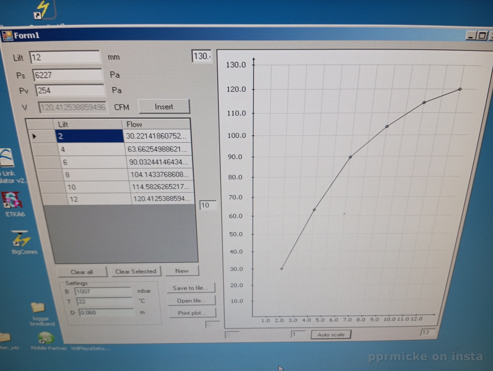
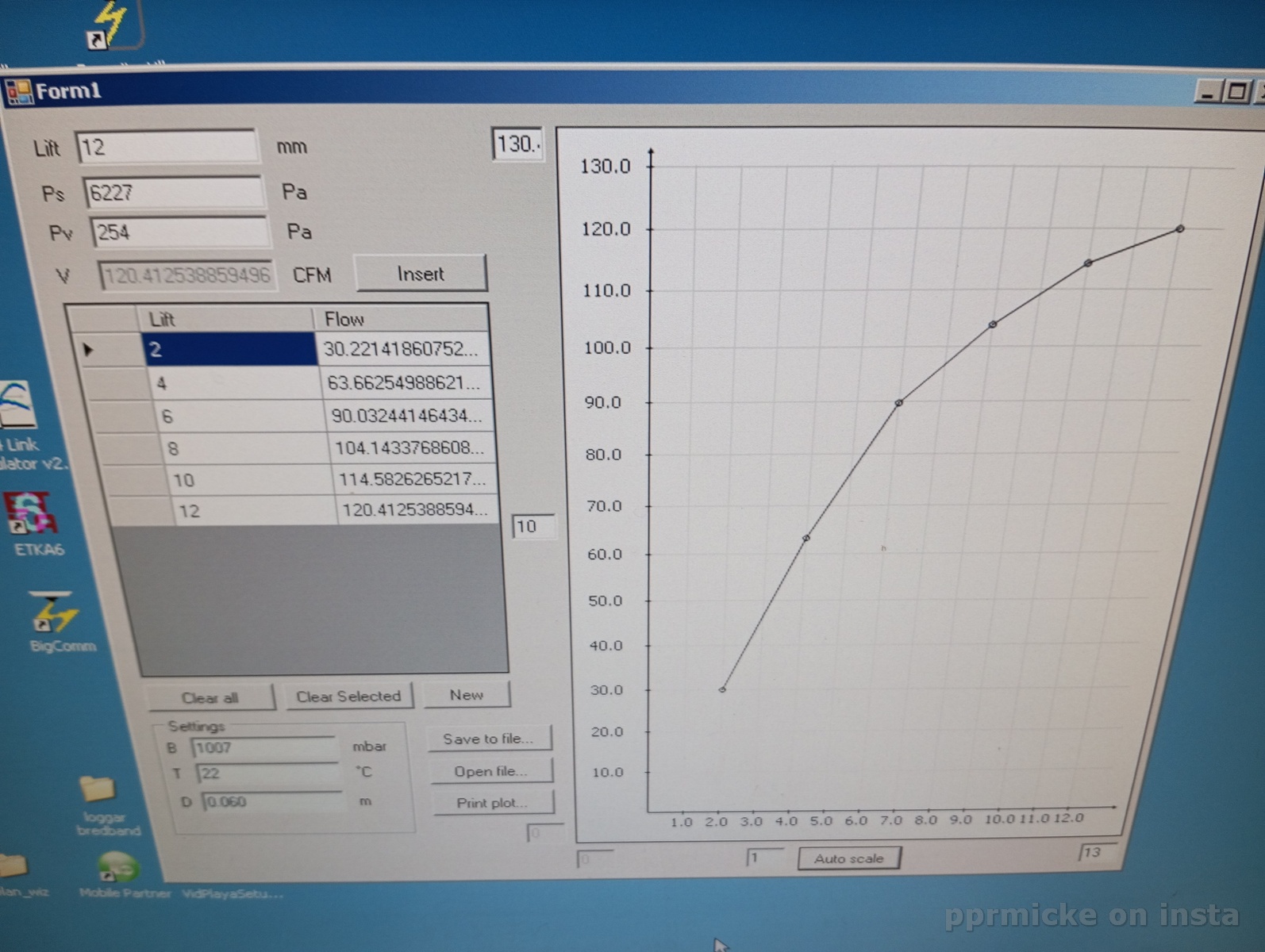
Då var det lite mer som var gjort
Fräste rent ytan i sätet  så det är runt 2 mm brett
In med nyslipad ventil  n
Nu är nästan som den kom från Vw fabriken på en Standard 1600 motor
Lägger till diagrammet från flödes bänken
Dom lägsta sifforna är där jag började  medslitna säten och slitna Ventiler
På 8 mm lyft höjd som en std motor hade den möjlighet att få ut 104 hk med 104 cfm  om alla parametrar är hundra %
Nu med alla saker är ok  är det luft för 108 hk  så 4 hk bara på fixa sätena och ventiler 108.13 cfm
Begränsningar är inte toppen det är insug/förgasare och avgassystem  sen den löjligt låga kompet för 87 oktan soppa
/// M

Post's attachments

IMG_20250717_134739.jpg, 514.37 kb, 904 x 1200
IMG_20250717_134739.jpg 514.37 kb, 58 downloads since 2025-07-20 

IMG_20250720_115404.jpg, 615.98 kb, 1594 x 1200
IMG_20250720_115404.jpg 615.98 kb, 60 downloads since 2025-07-20 

Utför Flödes test av toppar
och Motorsimulering
Och arborrar
Fueltech Ft 600 användare
Grundare  av 1600 utmaningen
Instagram @ pprmicke

20

Mycket intressant läsning.
Tyvärr har jag inte tålamod och tid att lägga ned på ett sånt jobb.

Men uppskattar verkligen dina inlägg.

"ljushuvud"

21

Hella skrev:
PPRMicke skrev:

Hej
Det är många som läser men inga frågor
Kan alla leka med lock eller är det själv klart att man har lagt ut?
/// Micke

Jag leker lite med mina toppar (med betoning på leker) ibland, på en nivå där jag drömmer om 5-10hk i bästa fall..... men jag kan definitivt inte, jag läser och försöker lära och förstå, och är definitivt inte på en nivå där jag kan ställa rimliga frågor!  ICQ/ah

Men när nu uppmaningen är att ställa frågor: Det pratas och mäts i allmänhet bara på flödet i insugskanalen som jag förstått det, borde inte flödet på avgassidan vara intressant åxå? Jag gissar att det är svårare att suga in bränsle/luftblandningen än det är att trycka ut avgaserna, och därför viktigare med flöde på insugssidan, men ett bra flöde på avgassidan bör väl gynna effekten det med?

/ Hella

Hej Hella
Avgas sidan ja den kan vara viktigare än insugs sida när det gäller flödet
Där är lite jobbigare att mäta än insuget   
Insugets längd från ventil CC till toppen av förgasaren (med eller utan trattar med andra eller tredje pulsen räknar man ut på sitt maxvarvtal 
Samma är det med avgassystemet  är det väldigt noga  men även diameter på röret så det inte blir för grovt så man uppnår ljudets hastighet eller över (därför får man avgas ljud när pulsen går in i överljud hastighet ) Där för är riktigt bra avgas dyra att ta fram 
Samma med vinklar i korlekton  så man får sugpulser och hjälper luften från insuget så man får övertryck i insugs kanalen av tryckvågen som skapas i primärrören i avgassystemet
Det kommer lite om avgas sidan när insugs sidan är förklarad så dom mesta förstår hur lite man behöver göra för en 100 hk motor
/// Micke

Utför Flödes test av toppar
och Motorsimulering
Och arborrar
Fueltech Ft 600 användare
Grundare  av 1600 utmaningen
Instagram @ pprmicke

22

Nu när toppen är sitt skick som den kom från fabriken
Kan vi börja modifiera så det blir bättre
Än har man inte varit med filmaskinen och skaft bort något
Ett klassiskt TRE VINKEL jobb på sätet  70 grader i måtten sen 45 grader på 1.5 mm sen en släpp vinkel på 30 grader   
Det gör underverk
Om ni kollar på siffrorna till vänster så ser ni att kanalen flödar nu på 8mm (8.3) lika mycket som den gjorde på 10 mm som jag började med sätet
Sen ökar luft hastigheten med ett gäng meter i sekunden  och det innebär att körbarheten kommer bli bättre på låga varvtal som plus
Från 77.8 meter i sekund till 85 meter i sekunden är jäkla skillnad  Även bränsle ekonomin kommer bli bättre
Men hade man varit och skavt i kanalen på fel ställe skulle hastigheten gått ner o motor skulle inte vara glad
Kommer köra med modifierad insugs ventil i morgon om det är dåligt väder
/// Micke

Post's attachments

IMG_20250720_123602.jpg, 607.32 kb, 1594 x 1200
IMG_20250720_123602.jpg 607.32 kb, 62 downloads since 2025-07-21 

IMG_20250720_131123.jpg, 542.5 kb, 1594 x 1200
IMG_20250720_131123.jpg 542.5 kb, 55 downloads since 2025-07-21 

IMG_20250720_131943.jpg, 338.77 kb, 904 x 1200
IMG_20250720_131943.jpg 338.77 kb, 52 downloads since 2025-07-21 

Utför Flödes test av toppar
och Motorsimulering
Och arborrar
Fueltech Ft 600 användare
Grundare  av 1600 utmaningen
Instagram @ pprmicke

23

Försöker förstå  ICQ/be  - mycket intressant  ICQ/ay

.....speedwagen - Gasar Tills De Rasar...... ©

Snabb länkar till projekt trådar: Pippi gul Callook med soltak (o\_/o) & Vit 75:a Bay-panel dubbeldörr |o \/ o|

24

Gör en test nu med Tre vinkel på sätet sen ventil med avslipad kant på insidan
i stället för en skarp kant på ventilen är insidan slipad med 35% cirka 1.5 mm  bred ( man kan försöka göra den med radie)
Denna övning gör lite till på flödet framför allt på låg lyft så man får igång luften i kanalen
Luft hastigheten gick upp lite till (85 Ms)  med dessa hastigheten kommer väldig bra körbarhet på låga varv på maskinen
/// M

Post's attachments

IMG_20250715_120940.jpg, 396.4 kb, 1594 x 1200
IMG_20250715_120940.jpg 396.4 kb, 56 downloads since 2025-07-23 

IMG_20250721_114641.jpg, 506.71 kb, 1594 x 1200
IMG_20250721_114641.jpg 506.71 kb, 52 downloads since 2025-07-23 

Utför Flödes test av toppar
och Motorsimulering
Och arborrar
Fueltech Ft 600 användare
Grundare  av 1600 utmaningen
Instagram @ pprmicke

25

Jag ritade lite så det kan vara lättare att förstå hur ventil och sätet funkar
Det kanske inte är det snyggaste men man bör förstå
Första bilden är hur det skall vara om toppen är i nyskick när det gäller ventil och ventil sätet
Bild Nr 2 är som toppen har gått några tusen mil med skadade säten då stutsar luftströmmen mellan ventil och ventilsäte
Då blir det  lite mot tryck man tappar hk sen blir luftens hastighet lägre ( finns fler saker som händer)
Bild Nr 3 är ventil och ventil sätet Modifierats  så ser ni ungefär hur luften flödar friare mellan sätet och ventilen
/// Micke

Post's attachments

IMG_20250723_112316.jpg, 524.58 kb, 1594 x 1200
IMG_20250723_112316.jpg 524.58 kb, 61 downloads since 2025-07-23 

IMG_20250723_113037.jpg, 499.87 kb, 1594 x 1200
IMG_20250723_113037.jpg 499.87 kb, 62 downloads since 2025-07-23 

IMG_20250723_114350.jpg, 446.62 kb, 1594 x 1200
IMG_20250723_114350.jpg 446.62 kb, 54 downloads since 2025-07-23 

Utför Flödes test av toppar
och Motorsimulering
Och arborrar
Fueltech Ft 600 användare
Grundare  av 1600 utmaningen
Instagram @ pprmicke