Pjuh!
Svettig manöver, tur att det finns dem med utrustning och is i magen
Man lär sig så länge man överlever!
Ha det fint Joakim!
//J
Du är inte inloggad. Logga in eller registrera dig.
Boxerville » Projekt - icke VW » Nu har jag gjort det!! (Renovering av 911T -71)
Sidor Föregående 1 … 12 13 14 15 16 … 19 Nästa
Du måste logga in eller registrera för att svara
Pjuh!
Svettig manöver, tur att det finns dem med utrustning och is i magen
Man lär sig så länge man överlever!
Ha det fint Joakim!
//J
Been there done that! Å då för 6-7 år sen hittade jag inga nya nålar så då blev det Lillebror som fick trolla ny nål åt mej!



Bra lillebror du har 
Been there done that! Å då för 6-7 år sen hittade jag inga nya nålar så då blev det Lillebror som fick trolla ny nål åt mej!
Snyggt Kristian! Skulle du behöva grejer till Zenitharna igen så finns det mycket på:
https://carburatori-italia.it/en/catego … 40-tin-en/
Allt gott,
Jörgen
Så då var det jul igen! Nu med förgasarna på plats så har jag jobbat på att få motor och växellåda klar för att monteras i bilen. När jag skulle montera utgående oljeslang som sitter i blocket så var "nippeln" fel storlek. Den var för en senare modell (större) och passade inte min högtrycksslang. Fick beställa en ny i rätt storlek.
På bilden den felaktiga storleken. Nu är slangen på plats och motorn klar för att sättas ihop med växellådan. På växellådan har jag monterat balken lite löst för att ha bättre odds att hamna rätt i de fingängade hålen på karossen. Man vill inte få gängpaj där! Under balken ligger några aluminium-shims som jag gissar många missar. Växellådan är servad med nya packningar och vissa lager. Fick hjälp av en äldre herre med detta.
Nu ska jag förbereda så att jag kan göra denna montering i mitt trånga garage. Återkommer...
När jag städade garaget så fanns det en hel del Porsche-original förpackningar. Här ser ni en bråkdel. Många delar i en bil...
Ha en God Jul Alla!
//Jörgen
Otroligt att du lyckas göra detta otroliga atbete i ett villagarage. Nu förstår jag att många jobb görs i andra lokaler. Men det är hatten av för detta otroligt fina jobb du lagt ner!!
Otroligt att du lyckas göra detta otroliga atbete i ett villagarage. Nu förstår jag att många jobb görs i andra lokaler. Men det är hatten av för detta otroligt fina jobb du lagt ner!!
Tack för de fina orden! Jag är ju dessutom onödigt lång (1,95) så man får tänka sig noga för hela tiden så man inte klantar sig i ett trångt utrymme.
//Jörgen
Hebster52 skrev:Been there done that! Å då för 6-7 år sen hittade jag inga nya nålar så då blev det Lillebror som fick trolla ny nål åt mej!
Snyggt Kristian! Skulle du behöva grejer till Zenitharna igen så finns det mycket på:
https://carburatori-italia.it/en/catego … 40-tin-en/
Allt gott,
Jörgen
Kul att det finns delar att få tag på nu (kanska fanns förr också utan att jag hittade) för tio år sedan hittade jag på sin höjd en packningsats, bytte till Weber istället... Tyckte det var ganska skönt att försynca alla sex halsar med syncklocka och dammsugare innan, så var det bara lite finlir på motorn sen.
Är växelådsbalken ny? Det går inte att byta gummina i dessa va?
Kul att det finns delar att få tag på nu (kanska fanns förr också utan att jag hittade) för tio år sedan hittade jag på sin höjd en packningsats, bytte till Weber istället... Tyckte det var ganska skönt att försynca alla sex halsar med syncklocka och dammsugare innan, så var det bara lite finlir på motorn sen.
Är växelådsbalken ny? Det går inte att byta gummina i dessa va?
Hej Rickard, jo det går att få tag på nya gummin till dessa, så växellådsbalken är gammal, blästrad och pulverlackad.
//Jörgen
Appropå trångt så fick jag hjälp av min bror idag att saxa ut motorn från mitt trånga förråd och in i garaget. Står nu på en platta med hjul så jag kan flytta den lätt.
//Jörgen
Hej igen! Nu var det dags att sätta ihop växellåda och motor. Min växellåda är en 5-växlad 901/11. Den har "dog leg" växellägen. 1:an ligger där 2:an vanligen ligger, 2:an där 3:an vanligen ligger osv. Backen ligger där 1:an ligger, upp-vänster.
Den har också ett eget upplägg med att den trycker kopplingsgaffeln istället för att dra. Det innebär för dessa lådor att man bör sätta ihop motor och låda utanför bilen. Man ska nämligen vrida urtrampningslagret (som ni ser på tryckplattan) så att dess vingar ligger an kopplingsgaffeln. Det får man styra in i det två "titthålen" på sprängkåpans ovansida.
Min låda, som jag köpte med när jag köpte bilen i Danmark, har antagligen använts i en VW. Vissa för Porsche viktiga fästen var bortsågade. Jag fick tillverka båda dessa i aluminium. Gjorde mallar och lämnade till en firma att skära ut dem. Den runda som sitter på utgående axelns lock på vänster sida ska kopplingsvajerns hölje gå igenom. Den som sitter flush med sprängkåpan ska nippeln för kopplingsvajerns ände sitta.
På skissen ser ni de båda inringade delarna. På den svartvita bilden ser ni hur man sedan justerar. Kabelhöljet skjuter alltså kopplingsgaffeln framåt. Det sitter ett fäste där höljet rör sig uppåt och nedåt också. Ska bli intressant att se hur detta funkar i verkligheten!
Här ser ni urtrampningslagret på tryckplattan och kopplingsgaffeln.
Här är äntligen låda och motor hopsatta! Startmotorn renoverade jag för ett tag sedan, gott att få den på plats! Kablarna också, det går en pluskabel under bilen som ska på där också när motorn är monterad.
Utgående oljeslangen som jag pratade om i tidigare ska hållas på plats av några klämmor. Det finns dåligt med dokumentation om hur denna slang ska dras. Jag hoppas jag ligger rätt, det lär ju vara trångt.
Förutom kablage till startmotorn så sitter switchen för backlamporna där på samma sida. På andra sidan så går länkaget till förgasarna. Det är ett antal kopplingar och hävstänger. Den som sitter längst fram på växellådan kopplas ihop med gaswiren under bilen. Kollade så att allt löper fritt till ytterlägena.
Sådär ja! Nu bara lite småpyssel, fylla på växellådsolja tex, innan jag kan försöka lirka in motorn på plats!
Ha ett gott slut på året Alla!
//Jörgen
Ha! Nu när jag sitter och tittar på bilderna så ser jag att jag satt "fästet" där kopplingswiren ska glida i fel. (se svartvita bilder i tidigare inlägg) Nåväl, inte så allvarligt. Men tur att jag såg det nu!
Det fästet tog min dotter med sig från New York för några år sedan. Det är väldigt svårt att hitta och görs ej nya. De kostar ofta uppåt 1000 kr. Galet eller hur!
//Jörgen
Mycket intressant!
Min 911/01 låda saknar även dom två vajerfästen! Har du mått på dom eller nåt? 
Mycket intressant!
![]()
Min 911/01 låda saknar även dom två vajerfästen! Har du mått på dom eller nåt?
Maila mig på jorgen(snabel-a)forssling.se så ska jag skicka några filer.
//Jörgen
Snygg som vanligt, Det tog ett tag innan jag kom på den där urtrampningsvridningen när jag hade isär min -71a, Ett tips om du inte redan har den, är den här tryckningsuppgraderingen, jämför med originalets plast. https://www.pelicanparts.com/More_Info/ … DID=195107
Snygg som vanligt, Det tog ett tag innan jag kom på den där urtrampningsvridningen när jag hade isär min -71a, Ett tips om du inte redan har den, är den här tryckningsuppgraderingen, jämför med originalets plast. https://www.pelicanparts.com/More_Info/ … DID=195107
Tackar! Ja, det där är nog en vettig uppgradering! Börjar med original setup då jag har en ny sådan hemma på hyllan.
//Jörgen
Har förberett i motorrummet med all kabeldragning, bensinrör/slangar.
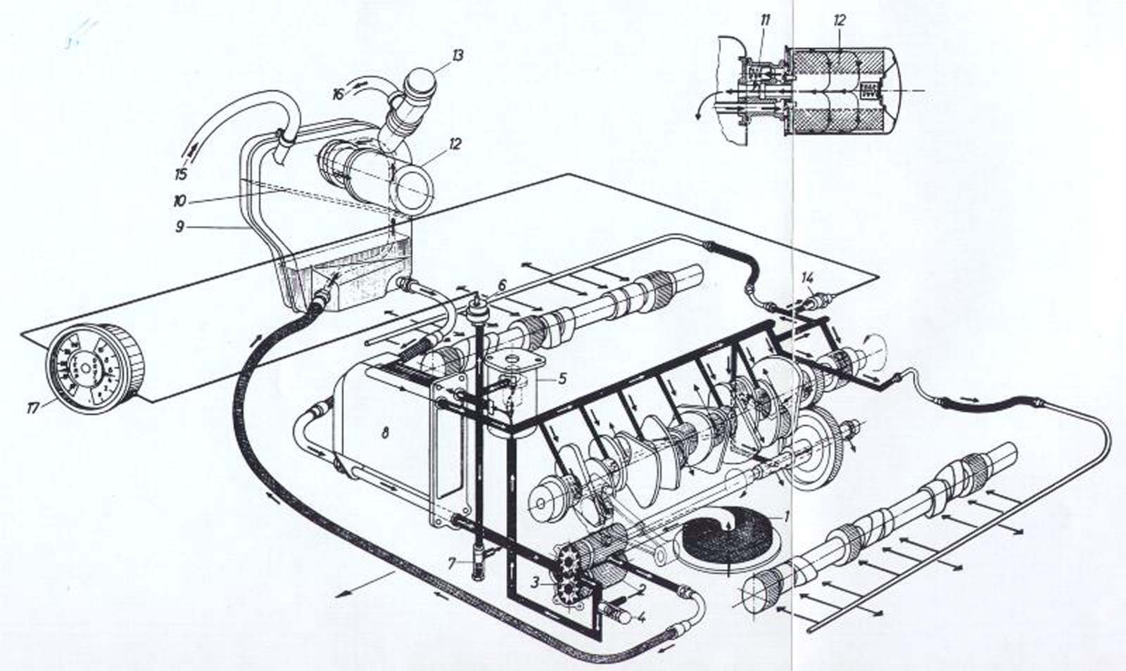
Oljetanken har ju ett antal anslutningar. Filter, olja in och olja ut. Sedan finns där såklart påfyllning och vevhusventilation (15) som går till anslutning mitt på motorn i framkant. Ni ser en silverfärgad oval del med tejpad anslutning på bilderna ovan.
Sedan finns också ventilation på oljetanken (16) som går till luftfiltret original. Eftersom jag ej har original luftburk så får jag lösa det med en ventilerad "catch tank". Jag har monterat den längst in till höger. Det är en aluminiumburk med ett luftfilter. Man kan skruva av den undre delen och tömma den vid behov. Har också en liten oljesticka så man kan kolla nivån.
//Jörgen
Mycket snyggt och informativt Jörgen! 
Bra lösning med ventilationen med.
//Joakim

Tack Joakim! Hoppas du blir inspirerad att komma vidare med ditt projekt.
Ser fram emot att få motorn på plats så man kan se hur bra man killgissat vinkeln på svärden bak så att den får rätt stuk. Och sen är det ju våndan/spänningen/besvikelsen/problemlösningen/blodsockret/tillfredsställelsen i att göra de första trevande försöken att få igång motorn för första gången på, ja vem vet...
Ha en God Helg Alla!
//Jörgen
Hej och god fortsättning...
Häromdagen så baxade jag in på egen hand motorn så att den hamnade någorlunda mitt i. Fick hissa upp och ställa på pallbockar. Hade i min iver glömt att fylla på olja i växellådan. Nu blev det lite bökigare när den var under bilen. Det sitter ett urtappnings- och ett påfyllningshål på vänster sida. Lådan ska ha 2,5 liter enligt manualen, tills det börjar rinna ur det övre påfyllningshålet. Jag har köpt Swepco 201 som många ska vara det bästa och också ge mjukare växlingar. Att den är blå får man också på köpet!
Sen fick jag hejda mig lite för att få hjälp. Man behöver fler ögon och händer för att inte klämma nån vajer eller gå emot.
Sidor Föregående 1 … 12 13 14 15 16 … 19 Nästa
Du måste logga in eller registrera för att svara
Boxerville » Projekt - icke VW » Nu har jag gjort det!! (Renovering av 911T -71)
Currently installed 2 official extensions. Copyright © 2003–2009 PunBB.