Gör ett försök här och hoppas på att någon ruvar på ett kopplingslager till Sachs. Skall vara original (SKF) och inget Kina junk. Helst NOS men ett felfritt begagnat funkar oxå.
1 2016-01-06 10:07:46 Senaste redigerad av Dennis (2016-01-06 18:07:06)
Menar du urtrampningslager så har folkabiten NOS.
Menar du urtrampningslager så har folkabiten NOS.
Oj, jag kanske skulle skriva att det är till Sachs moppemotor jag behöver ett kopplingslager. Men tack ändå Bengt
Bengt H skrev:Menar du urtrampningslager så har folkabiten NOS.
Oj, jag kanske skulle skriva att det är till Sachs moppemotor jag behöver ett kopplingslager. Men tack ändå Bengt

Jag har ett gäng Sachs motorer liggandes. Vet dock inte om eller vart det kan tänkas finnas lager.
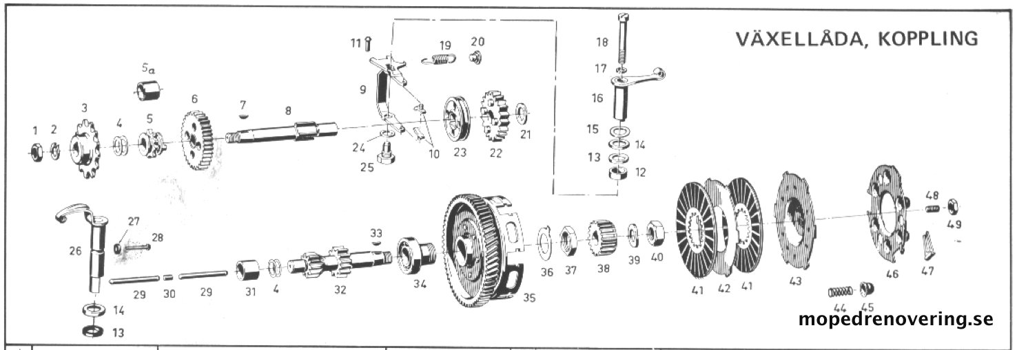
Nån sprängskiss på vart det sitter samt mått kan jag kolla lite?
Lagret jag söker har nr.34 på skissen.
Det borde vara detta lager?
Enda jag hade någorlunda löst.
Jo, det ser ut så. Om Stora drevet och kopplingskorgen sitter på andra sidan blockhalvan så är det rätt.

