1 Senaste redigerad av lasslo (2014-01-29 18:20:42)

Jag hittade ett gäng packningar till Solex 40PII i garaget.
Det är ju ett gäng som kör Porsche här, och säkert nån som kör Solex på sin vw oxå ICQ/ab


Bjud nått om du har behov av grejorna, eller byt mot nått kul till vw som jag kan behöva.

Post's attachments

image.jpg, 731.13 kb, 1804 x 1184
image.jpg 731.13 kb, 153 downloads since 2014-01-29 

image.jpg, 749.93 kb, 1870 x 1245
image.jpg 749.93 kb, 135 downloads since 2014-01-29 

Buss 65
Ghia 57

"If you can't fix it with a hammer, You've got an electrical problem"

2

Är det en komplett sats eller? Jag skulle vara intresserad, bild?

3

Du var för snabb frederik, jag hann inte få med bilderna ICQ/ab
Jag vet inte om det är komplett, jag har ju aldrig skruvat Solex 40.

Men det verkar vara några satser, som ligger i förslutna påsar, och en del lösa packningar.

Buss 65
Ghia 57

"If you can't fix it with a hammer, You've got an electrical problem"

4

Du har ett PM!

5

Jag har fått bud på 200kr.
Vi kör tills imorgon kväll, 20,00 fröken ur tid, om det är fler som är intresserade.

Buss 65
Ghia 57

"If you can't fix it with a hammer, You've got an electrical problem"

6

lasslo skrev:

Jag har fått bud på 200kr.
Vi kör tills imorgon kväll, 20,00 fröken ur tid, om det är fler som är intresserade.

Kan det rent av vara så att det är packningar till fler än 2 förgasare? Då kan fler vara med och dela.... ICQ/ag

7

sir.patrik skrev:
lasslo skrev:

Jag har fått bud på 200kr.
Vi kör tills imorgon kväll, 20,00 fröken ur tid, om det är fler som är intresserade.

Kan det rent av vara så att det är packningar till fler än 2 förgasare? Då kan fler vara med och dela.... ICQ/ag

Ser ju liite ut som så, för 6st axxpumpar på två gasare känns ju överkusr, nog tror jag att delarna är till fler än 2, men frågan är ju hur komplett allt är, kan ju vara kompletta satser, eller inte svårt att veta för mig som inte är så djupt insnöad på dessa.

Min blogg:www.50split.wordpress.com
Det blev kübel till hessisch så inget taxiåkande. 2026 må det bli barndoor! Annars får det bli taxi, för dit ska jag!
Tel 07noll357185ett
Bergmeister im Oldtimer Oldspeed Club chpt Sweden

8 Senaste redigerad av lasslo (2014-01-29 22:20:03)

Jag är ju som sagt inte heller så djupt insnöad på Solex.
Men i den stora påsen är det 6st stora packningar, 6st små, 6st oringar och två av dom orangea/röda packningarna. Den påsen är oöppnad.
I dom två små påsarna finns vardera 3st stora packningar, 3st små packningar, 3st oringar och en röd/orange packning.
Sen finns det 3st stora, 2st små, 2st oringar och en röd/orange lösa packningar. I den "satsen" verkar det fattas en liten packning och en oring

Och det finns 5st inpackade membran och ett utan förpackning, det utan förpackning verkar vara monterat, men nog inte använt.

Nån som blir klokare?

Post's attachments

image.jpg, 679.22 kb, 1669 x 1220
image.jpg 679.22 kb, 143 downloads since 2014-01-29 

image.jpg, 667.44 kb, 1687 x 1249
image.jpg 667.44 kb, 117 downloads since 2014-01-29 

image.jpg, 635.99 kb, 1767 x 1272
image.jpg 635.99 kb, 146 downloads since 2014-01-29 

Buss 65
Ghia 57

"If you can't fix it with a hammer, You've got an electrical problem"

9

Hmmm... jag håller som bäst på att renovera 2 st Solex 40 P II-4 Solid Shaft från en 356 1963 SC, och de renoveringssatserna jag köpte ser inte ut som de du har. "Topplockspackningarna" på mina fuggar är större, acc-pumpmembranen på mina sitter med 6 skruvar, inte 4 som det ser ut som att de på dina bilder gör... och det finns inga stora gummi-O-ringar i 356/912-förgasarna heller vad jag vet. Kanske är detta någon annan modell? Dock så finns det inte så många olika 40PII-modeller att välja på vad jag vet... så man kan ju undra vad dina packningssatser passar till. Någon ultrasällsynt specialförgasare kanske...? ICQ/ab

http://www.hillmanimages.com/912/images/solid-shaft.jpg

"Daddy Cool"

10

Nä, det ser jag nu när jag googlar. Mina packningar är ju inte alls lika vanliga Solex 40 PII packningar?
Märkligt när påsarna är så väl uppmärkta?

Kan det vara till nått treförgasararrangemang, eftersom lockpackningarna kommer tre & tre?

Då struntar vi i denna annonsen, iaf tills jag fått klarhet i vad det passar till ICQ/ab

Buss 65
Ghia 57

"If you can't fix it with a hammer, You've got an electrical problem"

11

Jag tror du är inne på rätt spår gällande treförgasarvarianten. Frågan är bara VAD. ICQ/ab finns det någon med svart bälte i Solex-förgasare här på BV som kanske kan hjälpa till?

"Daddy Cool"

12

Att jag inte såg det tidigare, precis som goopher säger så sitter ex. acc-pumpslocken på dubbelinsugs PII-40 med 6 skruvar..

13

Det kanske är till 911 ? Det finns en variant av trippel-Solex 40, typ 3 "separata" på varje insug...

http://i450.photobucket.com/albums/qq230/AllenImages/Solex%20Carburetors/4.jpg

14

Tidiga Porsche 911, 64-65 hade trippelsolexarna!

15

Det skulle det kanske kunna vara. Dom ser ju hyffsat rätt ut i formen på locket.

Nån som vet beteckningen på dom?

Buss 65
Ghia 57

"If you can't fix it with a hammer, You've got an electrical problem"

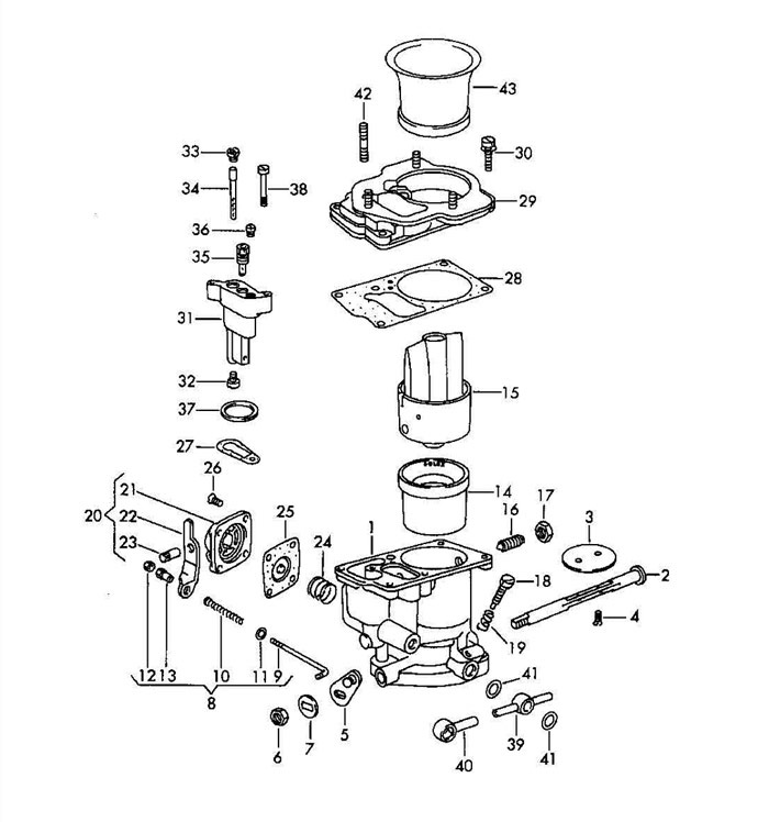
16 Senaste redigerad av lasslo (2014-02-02 21:49:26)

Nu har jag nog hittat rätt.
Solex 40 PI1 förgasare till tidiga 911.

Så det blir väl att försöka bli av med dom på nått porscheforum.

Post's attachments

image.jpg, 90.68 kb, 700 x 748
image.jpg 90.68 kb, 129 downloads since 2014-02-02 

Buss 65
Ghia 57

"If you can't fix it with a hammer, You've got an electrical problem"

17

Bra jobbat!  ICQ/ag

"Daddy Cool"