Hej!
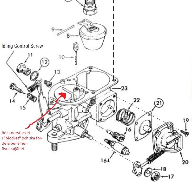
Jag saknar röret som är markerat på bilden. Ett litet rör som fördelar bensinen över gasspjället. Gjort i koppar. Om det finns någon som har ett till salu hade jag varit väldigt tacksam 

Du är inte inloggad. Logga in eller registrera dig.
Boxerville » Delar köpes » K: Bränslerör i Solex 28 pict 1
Sidor 1
Du måste logga in eller registrera för att svara
Hej!
Jag saknar röret som är markerat på bilden. Ett litet rör som fördelar bensinen över gasspjället. Gjort i koppar. Om det finns någon som har ett till salu hade jag varit väldigt tacksam 

Det är axpumpsröret. har en massa ligger som du kan få efter påsk.
Jasså Axpumpsrör heter det kanske
Man lär sig något nytt varje dag 
Hade varit super om jag fått köpa ett av dig. Jag skickar ett PM.
Sidor 1
Du måste logga in eller registrera för att svara
Boxerville » Delar köpes » K: Bränslerör i Solex 28 pict 1
Currently installed 2 official extensions. Copyright © 2003–2009 PunBB.