Membranet som sitter i anslutning till choken, hur lossar man det?
Har nog för länge sedan pillat i någon gammal PICT 28, visste inte att de har något choke membran, minns bara acc-pumps membranet som mekaniskt är kopplat till gasarmen via en tryckstång och fjäder..
Om membranet liknar exv accpumpsmembran kan de vara fastvulkade av ålder på någon metallyta, om man fått loss den från den ena ytan utan för mycket skador är mitt nästa steg liberalt med fotogen/wd40 eller liknande och mekanisk motion för att försöka få dem att släppa från den andra ytan, nästa steg är "rakblad" i delningsytan där man följer metallen och försöker undvika att skada membranet.
Nästan oavsett hur bra man lyckas att få loss ett fastnat membran brukar den vanligtvis vara så stel och skör att det inte känns säkert att sätta tillbaka den igen..
/S
Tack, jag förklarade kanske lite dåligt, själva membranet är lossat från lock och förgasare men sedan är det stången, den går att dra ut en liten bit sedan blir det stopp. På chokeelementets hus är det ett plastinnanmäte som går att rucka på men inte heller lossnar.
Har nog för länge sedan pillat i någon gammal PICT 28, visste inte att de har något choke membran, minns bara acc-pumps membranet som mekaniskt är kopplat till gasarmen via en tryckstång och fjäder..
Om membranet liknar exv accpumpsmembran kan de vara fastvulkade av ålder på någon metallyta, om man fått loss den från den ena ytan utan för mycket skador är mitt nästa steg liberalt med fotogen/wd40 eller liknande och mekanisk motion för att försöka få dem att släppa från den andra ytan, nästa steg är "rakblad" i delningsytan där man följer metallen och försöker undvika att skada membranet.
Nästan oavsett hur bra man lyckas att få loss ett fastnat membran brukar den vanligtvis vara så stel och skör att det inte känns säkert att sätta tillbaka den igen../S
4 2022-08-26 09:54:36 Senaste redigerad av Sten vW (2022-08-26 10:01:08)
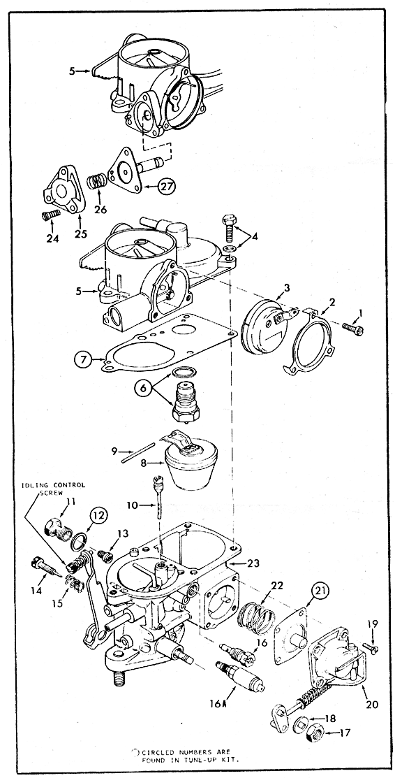
Finns enligt bilden ett membran som jag förträngt i anslutning till choken.
Den har en stång+membran(27 på bild) som är krokad bakom en hävarm som i sin tur kopplar till en hävarm som påverkas av termospiralen.
Jag tror jag sett ett plasttäcklock som gömmer det ovannämnda, någon plastgrej mellan "3" i bilden och förgasarhuset.
Utan plastlock skall det gå att hitta ett läge där man kan lirka loss stång+membran från hävarmen.
Skör plast kan vara djävlig att få loss intakt ur lite korroderade förgasarhus.
PS/ det överst på bilden visar nog det utförande du har.
/S
Tack, då får jag knåpa vidare. Plastlocket som döljer hur membranstången är fäst får jag försöka ta bort först. Får väl se vad lite våld gör med det ...
Ev behövs plastlocket som utslagsbegränsning för hävarmen som påverkas av termospiralen.
Utan plastlock kanske bitarna (hävarm+stång) kan kroka isär när man kalibrerar termospiralen eller när spiralen gör sin grej..
Nytt plastlock kan ev vara svårt att hitta men med tillräckligt hela bitar av den o lite lim (silikon) kanske en gammal trasig går att använda.
Lycka till!
