Inför nästa säsong vill jag skaffa mig lite mer kunskap om hur man kan (och bör) styra en Eberspächer B1L när man ska använda den som tillsatsvärme både för camping men även under färd. Jag har redan tagit del av en del nyttig info på nätet och ska försöka sammanfatta mina tankar.
1. Drift vid camping (fricamping utan landström):
Sprakaren drar relativt mycket ström i startögonblicket med en effekututveckling på 200W för att sen gå ner på en effekt om 40W vid drift. Värmaren utvecklar motsvarande 1800W i värme vid drift, så det blir enligt utsago varmt fort i bussen. För att få en så strömsnål användning som möjligt är en tänkvärd idé att låta den gå över en timer, som kan tillåta att värmaren startar minimalt antal gånger under en natt och på så vis sparar ström i förhållande till en termostat, men med något mer varierande termperatur över tid som följd.
2. Drift vid färd
Här kommer jag nog ha mindre användning för sprakaren då planen är att värmekamrarna ska stå för den eventuella värme som behövs under kyliga sommarfärder, kanske i blött väder. Men eftersom en värmare är installerad och fungerar är det ju dumt om man då inte enkelt kan starta den om det skulle behövas. Här kan värmaren gott och väl styras helt manuellt, men körningen blir ju enklare om man kan styra den över en termostat.
3. Placering av reglage
Jag har inför denna installation förberett mig genom att köpa på mig de kontroller som jag tror är kompatibla med värmaren, nyare värmare har ju mer avancerade styrsystem och fler styrmöjligheter. Jag tror att jag hittat rätt delar utifrån när jag köpt en rumstermostat med strömbrytare från Butlertechnik, men när jag övervägde timerstyrningsalternativet och en billig Hella-timer dök upp på tradera köpte jag en sån också (den har inte kommit hem än).
En tanke jag har är att det kanske skulle gå att använda sig av båda styrmöjligheterna i samma installation, men då uppstår ju snart frågan hur man kopplar detta och om det ens går? En rumstermostat, åtkomlig från förarplats men monterad så att den ger en bra avläsning av temperaturen i kupén, samt ett timerreglage, åtkomligt från bodelen på bussen vore ju ultimat!
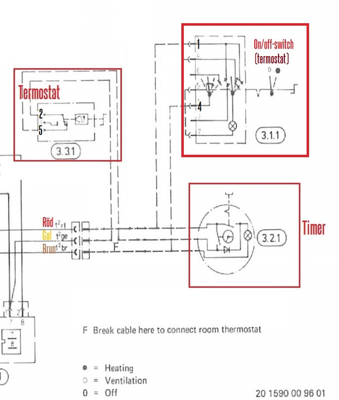
Kopplingsschemat för B1L ser ut som följer:
Förstoring av aktuell del:
Medan inkopplingen för rumstermostaten ser ut som följande:
Och timern har fem tåtar:
Kopplingsschemat anger att termostaten kopplas in med två tåtar, det gissar jag beror på att den termostaten inte har någon egen on/off-knapp, utan är en ren termostat. Ska man följa termostatens kopplingsschema slaviskt för att få rätt funktion på denna? Dvs skippa att ansluta något över huvudet taget på plint 3 och 5? Var kommer B+ uppe i högra hörnet att anslutas i dosan? Den har ju ingen numrerad plint och jag kan inte hitta någon ytterligare anslutningspunkt, kan det vara så att den strömmen kommer från plint 1? Kan man använda plint 5 för att gå vidare med gul kabel till timern? Var skulle den annars kopplas om man inte hade en timer? Det gissar jag kommer förutsätta att termostaten både är påslagen, men även ställd med börvärdet över aktuell temperatur för att timern enbart ska styra värmaren. Korrekt? I annat fall borde det vara plint 3 som gäller, men då gissar jag att man får omvänd funktion och det är lite ologiskt.
Kopplingsschema för timern har jag inget, men har listat ut via omvägar att det förmodligen är att följa färgerna som gäller, dvs att de tre trådarna, röd, gul, brun som går till sprakaren och styrningen av densamme, medan svart och vit isf skulle vara jord resp 12v för själva urets drift. Låter detta rimligt?
Här är mitt förslag på elschema, som dock kräver att termostaten är påslagen för att timern ska fungera?:
Frågan jag har och som jag kanske får ta vidare är;
Kan jag styra både via termostat och timer? Kommer de att agera oberoende av varandra, eller kommer de styra tillsammans? Hur kopplar man alltsammans om man vill ha det på endera sätt?
Tack på förhand!
